Карта письмо
Главная
тел. +375(33)6666-998 (МТС) +375(29)668-48-08 (A1)
Продукция Задвижки  »
Затворы
Электроприводы  »
Краны шаровые  »
Клапаны (вентиля)  »
Котельное оборудование  »
Фильтры
Детали трубопроводов
Фланцы
Полимерные трубопроводы  »
Фитинги
Уплотнительные материалы
Метизы
Производство Задвижки
Задвижки ножевые
Задвижки щитовые
Затворы
Клапана
Фильтр
Грязевик вертикальный / горизонтальный
Сепаратор
Сальниковый ввод
Проставка монтажная
Компенсатор монтажный / резиновый
Колонка управления с удлинительным штоком
Плавающие фланцы
Краны шаровые

Стенд для испытаний ТПА


Новости На складе в Минске КРАНЫ ШАРОВЫЕ стальные. Действует система скидок!
На складе в Минске компенсаторы резиновые фланцевые (гибкая вставка).
Каталоги на собственное производство спрашивайте у менеджеров
Все новости»

Собственное производство  » Краны шаровые стальные

ЗАО "Международный маркетинговый центр "Трубопроводная арматура и оборудование”

Краны шаровые. DN 15 - DN 200. СТАЛЬ. PN 16, 25, 40

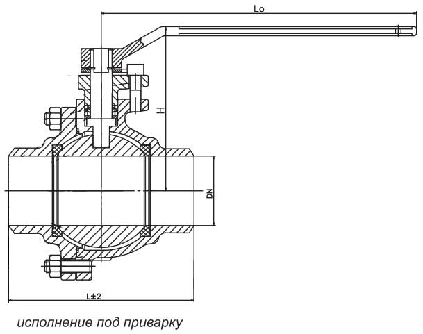
Присоединение к т/б: фланцевое, под приварку.

Кран шаровый

Краны шаровые под приварку Краны шаровые фланцевое
DN L L* D
16/25/40
D1
16/25/40
D2
16/25/40
n-d
16/25/40
H Lo Вес
16/25/40
15130*95 / 95 / 9565 / 65 / 6547 / 47 / 474-141031402,7 /-/ 3
25150*115 / 115 / 11585 / 85 / 8568 / 68 / 684-141231603,8 / 4,5 / 4,5
32165*135 / 135 / 135100 / 100 / 10078 / 78 / 784-181501605,5 / 6,5 / 6,5
40180*145 / 145 / 145110 / 110 / 11088 / 88 / 884-181551806,8 / 8,5 / 8,5
50200180160 / 160 / 160125 / 125 / 125102 / 102 / 1024-181722209 / 10 / 9,8
65220200180 / 180 / 180145 / 145 / 145122 / 122 / 1224-18 / 8-18 / 8-1819728013,5 / 14 / 13,5
80250210195 / 195 / 195160 / 160 / 160133 / 133 / 1338-1822230015,5 / 18 / 17
100280230215 / 230 / 230180 / 190 / 190158 / 158 / 1588-18 / 8-22 / 8-2225332021 / 25 / 24
125320252245 / 270 / 270210 / 220 / 220184 / 184 / 1848-18 / 8-26 / 8-2628640037,5 / 39 / -
150360280280 / 300 / 300240 / 250 / 250212 / 212 / 2128-22 / 8-26 / 8-2629560044 / 58 / -
200400292335 / 360 / 375295 / 310 / 320268 / 278 / 28512-24 / 12-26 / 12-3034280080 / 85 / -

Возможно изготовление кранов с длиной L*

ЗАО "Международный маркетинговый центр "Трубопроводная арматура и оборудование”

Краны шаровые. DN 200 - DN 600. СТАЛЬ. PN 16

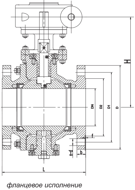
Присоединение к т/б: фланцевое, под приварку.

Краны шаровые под приварку Краны шаровые фланцевое
DN L L* H W D D1 D2 b f n-d
200457*27360033529526826312-22
250533*36060040535532030312-26
300610*39580046041037030412-26
350686*43080052047043034416-26
400762*47080058052548236416-30
450864*55080064058553240420-30
500914*58080071065058544420-33
6001067*70080084077068548520-39

Возможно изготовление кранов с длиной L*
ЗАО "Международный маркетинговый центр "Трубопроводная арматура и оборудование”

тел. +375(33)6666-998 (МТС) +375(29)668-48-08 (A1) эл.почта zaotpa@mail.ru